ウレタンチューブ U2シリーズ 透明 5m ニッタ・ムアー U2-4-6×4-5 透明

トップ >MonotaRO(モノタロウ)の紹介 >空調・電設|ポンプ|配管・水廻り設備用品 >ウレタンチューブ U2シリーズ 透明 5m ニッタ・ムアー U2-4-6×4-5 透明

ウレタンチューブ U2シリーズ 透明 5m ニッタ・ムアー U2-4-6×4-5 透明



ウレタンチューブ U2シリーズ 透明 5m ニッタ・ムアー U2-4-6×4-5 透明

ウレタンチューブ U2シリーズ 透明 5m ニッタ・ムアー U2-4-6×4-5 透明

チェックバルブ ユニオンストレート ピスコ(PISCO) CVU6-6



チェックバルブ ユニオンストレート ピスコ(PISCO) CVU6-6

チェックバルブ ユニオンストレート ピスコ(PISCO) CVU6-6

インサートリング ピスコ(PISCO) WR0425



インサートリング ピスコ(PISCO) WR0425

インサートリング ピスコ(PISCO) WR0425

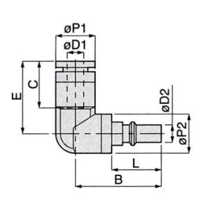
ライトカップリングプラグ エルボワンタッチ継手タイプ ピスコ(PISCO) CPPE3L-4



ライトカップリングプラグ エルボワンタッチ継手タイプ ピスコ(PISCO) CPPE3L-4

ライトカップリングプラグ エルボワンタッチ継手タイプ ピスコ(PISCO) CPPE3L-4